Anexos; Diagramas Elétricos - Hayward R32 Manual De Instalación E Instrucciones

Tabla de contenido
Idiomas disponibles
  • ES

Idiomas disponibles

6. ANEXOS

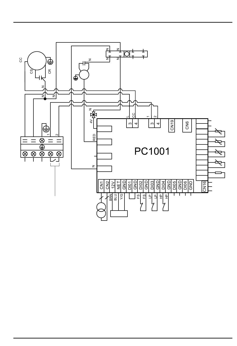
6.1 Diagramas elétricos
COMP
CC
CR
BLK
CS
RED
WHT
C1
L
N
RED BLU
L
N
1
2
Alimentação
230 V/50 Hz
Contacto seco
7A máx.
OBSERVAÇÕES:
AT: SONDA DE TEMPERATURA DE AR
COMP: COMPRESSOR
CT: SONDA DE TEMPERATURA DO EVAPORADOR
FM: MOTOR DO VENTILADOR
FS: DETETOR DA PRESENÇA DE ÁGUA
HP: PRESSÓSTATO DE ALTA PRESSÃO
N
1
2
C2
BLK
BLU
FM
RED
4V
OUT3
OUT4
OUT5
AC-N
2
2
TC
Controller
12V
3
5
7
01
4
6
8
OUT1
OUT2
FS
LP
HP
IT: SONDA DA TEMPERATURA DE ENTRADA DE ÁGUA
LP: PRESSÓSTATO DE BAIXA PRESSÃO
OT: SONDA DA TEMPERATURA DE SAÍDA DE ÁGUA
TC: TRANSFORMADOR 230 V/12 V
C1: CONDENSADOR COMPRESSOR
C2: CONDENSADOR VENTILADOR
OUT2: CONTACTO SECO
HP3005AT1RM
GND
AI06
5K
AT
GND
t
AT
AI05
5K
CT
GND
t
CT
AI04
5K
OT
GND
t
OT
AI03
5K
IT
GND
t
IT
AI02
6.8K
GND
AI01
+5V
GND
17
Tabla de contenido
loading

Tabla de contenido