Quick DR4 DYLAN R Serie Manual Del Usuario página 20

Tabla de contenido
Idiomas disponibles

Idiomas disponibles

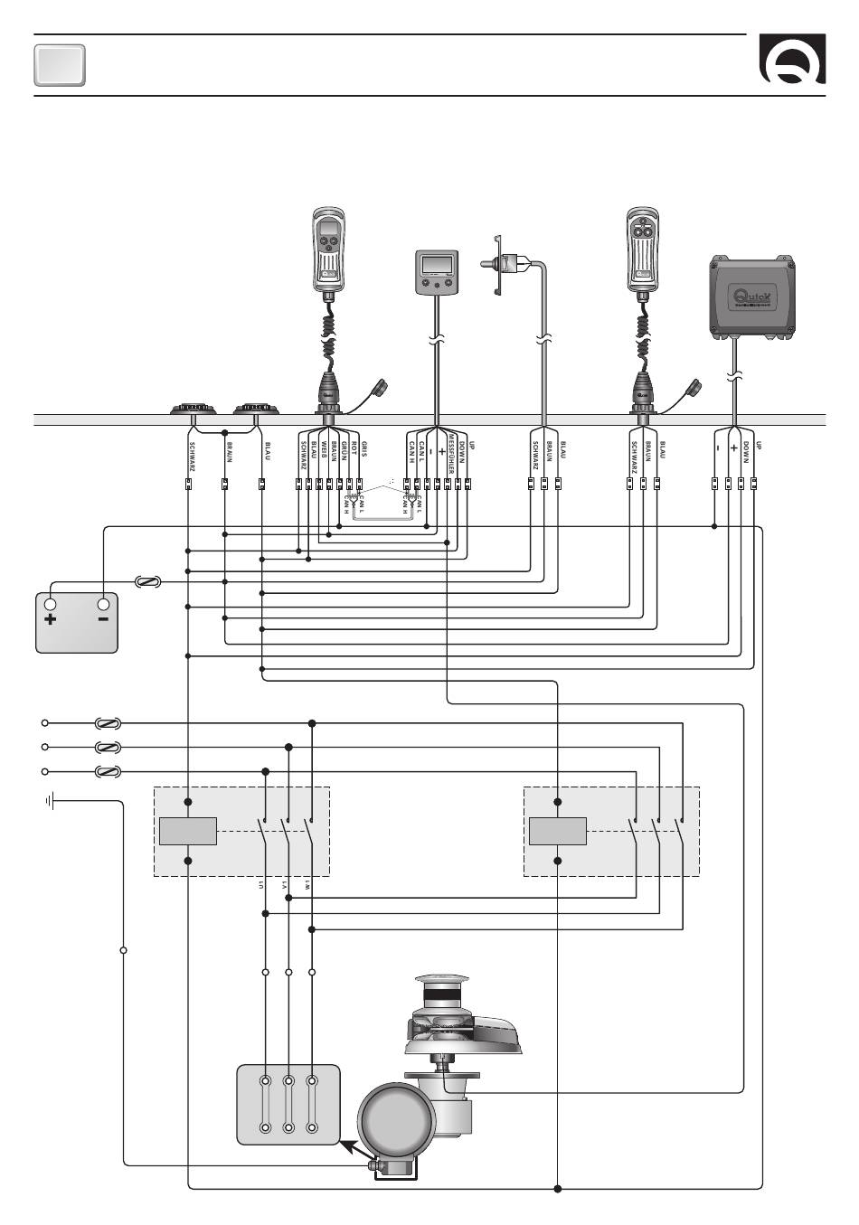
ANSCHLUSSPLAN - DREIPHASING
DE
BASISSYSTEM DR4 3000W 230V AC
MOD. 900/D
DOWN
BATTERIE 24V
FU1 13-25A aM
L3
XP
T
FU1 13-25A aM
L2
XP
S
FU1 13-25A aM
L1
XP
R
24V
PE
XP
20
METERZÄHLER-
FERNBEDIENUNG
FÜR DIE
ANKERWINDE
MOD. CHC1102 M
FUSSSCHALTER
MOD. 900/U
UP
T
S
R
KM1
R
S
T
XP
XP
XP
U1
V1
W1
MOTOR
230V CA Max
3KW
W2
U2
V2
U1
V1
W1
KLEMMBRETT
SCHALTER AN
BEDIENTAFEL
MOD. 800
KETTENZÄHLERTAFEL
MOD. CHC1202 M
150
ANKERWINDE
MESSFÜHLER
M
1
MEHRZWECK-
WASSERDICHTE
FERNBEDIENUNG
MOD. HRC1002
KM2
24V
DR4 1500/1700/2000/3000W - HYDRO FR DE ES - REV001A
FUNKFERNSTEUERUNG
EMPFÄNGER RRC
MOD. R02 (2CH)
Tabla de contenido
loading

Este manual también es adecuado para:

Dr4 1500 dcDr4 1700 dcDr4 2000 dcDr4 3000 acDr4 hydro

Tabla de contenido