Notas Sobre El Tendido De Conductos De Corriente De Soldadura - Ewm Tetrix 351 Ac/Dc Aw Fw Manual De Instrucciones

Ocultar thumbs Ver también para Tetrix 351 AC/DC AW FW:
Tabla de contenido
5.1.6

Notas sobre el tendido de conductos de corriente de soldadura

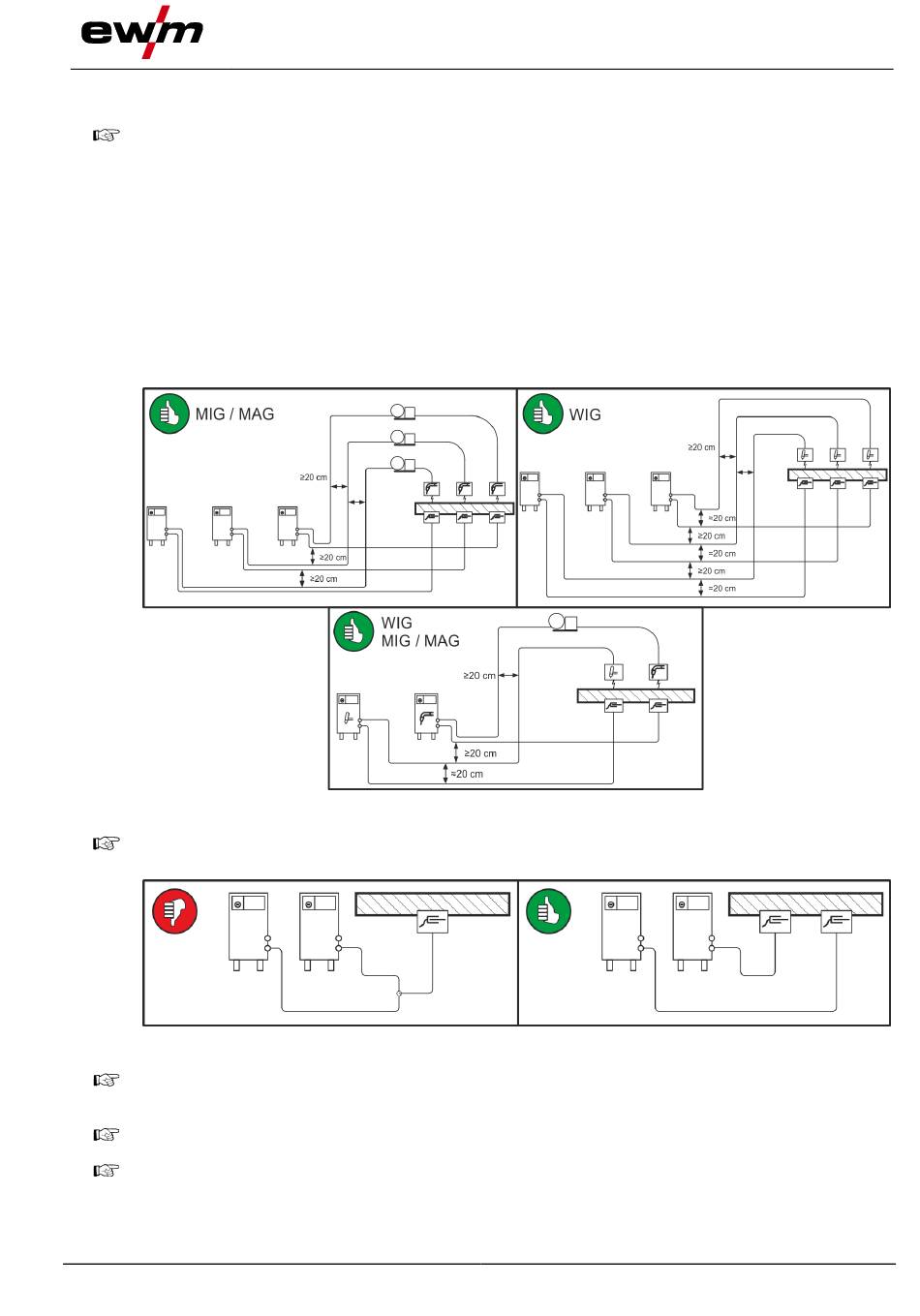
Los conductos de corriente de soldadura tendidos de forma incorrecta pueden provocar
perturbaciones (destellos) en el arco voltaico.
Colocar en paralelo, con la mayor longitud posible y muy juntos el conducto de piezas de trabajo
y el paquete de mangueras de fuentes de alimentación sin dispositivo de encendido HF
(MIG/MAG).
Tienda en paralelo, con una distancia aproximada de 20 cm, el conducto de piezas de trabajo y el
paquete de mangueras de fuentes de alimentación con dispositivo de encendido HF (TIG), para
evitar descargas HF.
Mantener en principio una distancia mínima de unos 20 cm o más con los cables de otras fuentes
de alimentación para evitar interacciones.
No utilice cables con una longitud mayor de la necesaria. Para obtener resultados de soldadura
óptimos no deben medir más de 30 m. (Conducto de piezas de trabajo + manguera de
prolongación + conducto de antorcha.)
Utilice un conducto de piezas de trabajo propio a la pieza de trabajo para cada aparato de
soldadura.
Desenrolle completamente los conductos de corriente de soldadura, las antorchas y las
mangueras de prolongación. Evite los ganchos.
No utilice cables con una longitud mayor de la necesaria.
Tienda el excedente de cable en forma de meandro.
099-000115-EW504
20.11.2017
Estructura y función
Figura 5-2
Figura 5-3
Transporte e instalación
33
Tabla de contenido
loading

Este manual también es adecuado para:

Tetrix 451 ac/dc aw fwTetrix 551 ac/dc aw fw

Tabla de contenido