Protección Contra Arcos Con Varios Relés Ref 610 - Abb Ref 610 Manual De Referencia

Ocultar thumbs Ver también para REF 610:
Tabla de contenido
REF 610
5.2.2.
166
Relé de protección para alimentador
Manual de referencia técnica
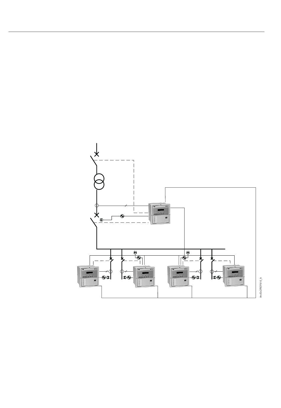
Protección contra arcos con varios relés REF 610
Cuando se utilizan varios relés REF 610 (consulte la Figura 5.2.2.-1), un REF 610
que protege un alimentador de salida disparará el disyuntor del alimentador de salida
al detectar un arco en las terminaciones del cable. Si el REF 610 que protege el
alimentador de salida detecta un arco en la barra colectora (mediante el otro sensor
de lente), sin embargo, generará una señal al REF 610 que protege el alimentador de
entrada. Cuando se detecta la señal, el REF 610 que protege el alimentador de
entrada disparará el disyuntor del alimentador de entrada y generará una señal de
disparo externo a todos los relés REF 610 que protegen los alimentadores de salida,
lo que a su vez, resultará en el disparo de todos los disyuntores de los alimentadores
de salida.
Para una máxima seguridad, el REF 610 únicamente se puede configurar para
disparar todos los disyuntores, independientemente del lugar donde se detecte el
arco.
Q1
3l
Q2
Q3
Q4
DI1
3I+Io
3I+Io
SO1
Figura 5.2.2.-1 Protección contra arcos con varios relés REF 610
DI1
M1
SO1
PO3
PO1
DI1
DI1
SO1
1MRS756063
Q5
Q6
DI1
3I+Io
3I+Io
SO1
SO1
Tabla de contenido
loading

Tabla de contenido