EdmoLift AL Manual De Productos página 1364

Tabla de contenido
Idiomas disponibles
  • ES

Idiomas disponibles

  • ESPAÑOL, página 367
EdmoLift Produkt Manual
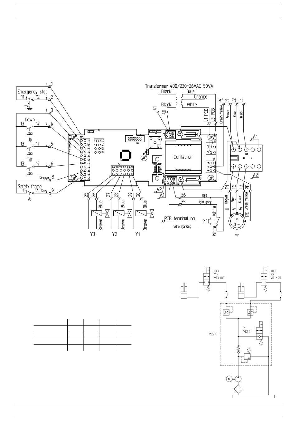
Elskjema Type ll enkelvirkende tilt
Advarsel!!! Elektro statisk følsomt utstyr. Vis hensyn ved håndtering av utstyr
Up
Down
Tilt Up
Tilt Down
Copyright © EdmoLift AB 2004-2008
All rights reserved. No part of this publication may be reproduced, stored in a retrie-
50
val system, or transmitted in any form or by any means, electronic, mechanical,
photocopying, recording or otherwise without the permission of the publisher.
M
Y1
Y2
Y3
X
X
X
X
X
X
X
X
2005-02-01
45234
EdmoLift AB
Jägaregatan 11
S-871 42 HÄRNÖSAND, SWEDEN
86229 NO
84912
Tfn. +46 (0)611-83 780
Fax. +46 (0)611-51 15 80
info@edmolift.se
Tabla de contenido
loading

Tabla de contenido