Registrarse
Cargar
Descargar
Tabla de contenido
Contenido
Añadir a mis manuales
Eliminar de mis manuales
Compartir
URL de esta página:
Enlace HTML:
Marcar esta página
Añadir
El manual se agregará automáticamente a "Mis manuales"
Imprimir esta página
×
Marcador agregado
×
Añadido a mis manuales
Manuales
Marcas
nvent Manuales
Acondicionadores de Aire
SPECTRACOOL N43
Manual de instrucciones
Diagrama De Cableado Genérico Para N43 Trifásico De 400/460V (Las Opciones Reales De Cada Unidad Pueden Variar) - Nvent Spectracool N43 Manual De Instrucciones
Ocultar thumbs
Ver también para SPECTRACOOL N43
:
Manual de instrucciones
(44 páginas)
1
2
Contenido
3
4
5
6
7
8
9
10
11
12
13
14
15
16
17
18
19
20
21
22
23
24
25
26
27
28
29
30
31
32
33
34
35
36
37
38
39
40
41
42
página
de
42
Ir
/
42
Contenido
Tabla de contenido
Solución de problemas
Marcadores
Tabla de contenido
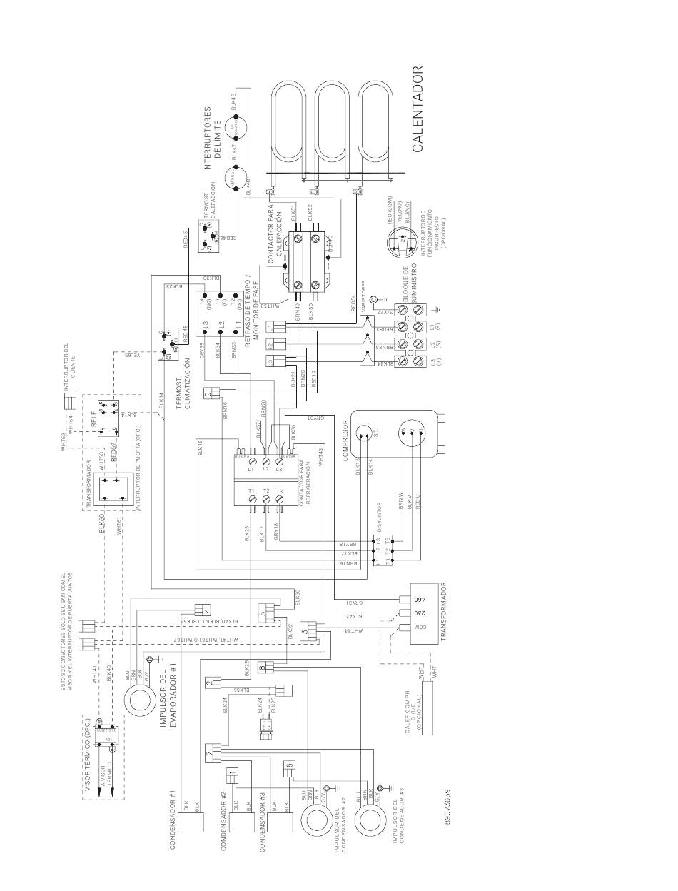
DIAGRAMA DE CABLEADO GENÉRICO PARA N43 TRIFÁSICO DE 400/460V (LAS
OPCIONES REALES DE CADA UNIDAD PUEDEN VARIAR)
C-NET INDUSTRIAL LTD. | +44(0)121 544 8608 | INFO@CNET-IS.CO.UK | WWW.CNET-IS.CO.UK
89166236
- 10 -
Tabla de
Contenido
Anterior
Página
Siguiente
Página
1
...
8
9
10
11
12
13
14
15
Tabla de contenido
Solución de problemas
RESOLUCIÓN DE PROBLEMAS
33
Lista de comprobación para la resolución de problemas básicos del aire acondicionado (versión con control de acceso remoto)
35
Manuales relacionados para nvent SPECTRACOOL N43
Acondicionadores de Aire nvent SPECTRACOOL N43 Manual De Instrucciones
(44 páginas)
Acondicionadores de Aire nvent SPECTRACOOL N36 Manual De Instrucciones
(40 páginas)
Acondicionadores de Aire nvent SPECTRACOOL N17 Manual De Instrucciones
(28 páginas)
Acondicionadores de Aire nvent N28 Manual De Instrucciones
(40 páginas)
Acondicionadores de Aire nvent SPECTRACOOL N28 Manual De Instrucciones
(44 páginas)
Acondicionadores de Aire nvent SPECTRACOOL N21 Manual De Instrucciones
(20 páginas)
Acondicionadores de Aire nvent SPECTRACOOL N36 Serie Manual De Instrucciones
(44 páginas)
Acondicionadores de Aire nvent SPECTRACOOL n36 Serie Manual De Instrucciones
(44 páginas)
Acondicionadores de Aire nvent SPECTRACOOL G52 Serie Manual De Instrucciones
(40 páginas)
Acondicionadores de Aire nvent SPECTRACOOL S10 1000 Manual De Instrucciones
(72 páginas)
Acondicionadores de Aire nvent SPECTRACOOL Manual De Instrucciones
(32 páginas)
Acondicionadores de Aire nvent SpectraCool G28 Manual De Uso
(40 páginas)
Acondicionadores de Aire nvent SPECTRACOOL Slim Fit Guía De Funcionamiento De Inicio Rápido
(6 páginas)
Acondicionadores de Aire nvent G52 DE 460 V Manual De Instrucciones
(40 páginas)
Acondicionadores de Aire nvent S0603X6G Serie Manual De Instrucciones
(68 páginas)
Acondicionadores de Aire nvent T Serie Manual De Uso
(16 páginas)
Contenido relacionado para nvent SPECTRACOOL N43
SPECTRACOOL N43 Diagrama De Cableado Trifásico N43 460 V Genérico Para Control De Acceso Remoto (Las Opciones De Unidad Reales Pueden Variar)
nvent SPECTRACOOL N43
SPECTRACOOL n36 Serie Diagrama De Cableado Trifásico N36 Genérico Para Control De Acceso Remoto (Las Opciones De Unidad Reales Pueden Variar)
nvent SPECTRACOOL n36 Serie
SPECTRACOOL N36 Serie Diagrama De Cableado Trifásico N36 Genérico Para Control De Acceso Remoto (Las Opciones De Unidad Reales Pueden Variar)
nvent SPECTRACOOL N36 Serie
SPECTRACOOL N43 Diagrama De Cableado Monofásico N43 Genérico Para Control De Acceso Remoto (Las Opciones De Unidad Reales Pueden Variar)
nvent SPECTRACOOL N43
N28 Diagrama De Cableado Genérico Para 460V Monofásico (Las Opciones Reales De Cada Unidad Pueden Variar)
nvent N28
SPECTRACOOL N17 1000 Btu/H Diagrama De Cableado Genérico Para 460V (Las Opciones Reales De Cada Unidad Pueden Variar)
nvent SPECTRACOOL N17
SPECTRACOOL N36 Diagrama De Cableado Genérico Para N36 Trifásico (Las Opciones Reales De Cada Unidad Pueden Variar)
nvent SPECTRACOOL N36
SPECTRACOOL N28 Diagrama De Cableado Unifásico De 115 V Genérico Para Control De Acceso Remoto (Las Opciones De Unidad Reales Pueden Variar)
nvent SPECTRACOOL N28
SPECTRACOOL Diagrama Genérico De Cableado Para Modelos G52 Con Control De Acceso Remoto (Las Opciones Reales De La Unidad Pueden Variar)
nvent SPECTRACOOL
G52 DE 460 V Diagrama De Cableado De G52 Genérico Con Control De Acceso Remoto (Las Opciones De Unidad Reales Pueden Variar)
nvent G52 DE 460 V
SPECTRACOOL N28 Diagrama De Cableado Unifásico De 115 V Genérico (Las Opciones De Unidad Reales Pueden Variar)
nvent SPECTRACOOL N28
SPECTRACOOL G52 Serie Diagrama De Cableado De G521216Gxxx Genérico (Las Opciones De Unidad Reales Pueden Variar)
nvent SPECTRACOOL G52 Serie
SpectraCool G28 G28 Diagrama Genérico De Cableado Trifásico Del Control De Acceso Remoto (Las Opciones De Las Unidades En Existencia Pueden Variar) )
nvent SpectraCool G28
SpectraCool G28 4000 Btus Diagrama De Cableado Monofásico Del Control De Acceso Remoto (Las Opciones De Las Unidades En Existencia Pueden Variar)
nvent SpectraCool G28
G52 DE 460 V Diagrama De Cableado De G52 Genérico Con Termostatos (Las Opciones De Unidad Reales Pueden Variar)
nvent G52 DE 460 V
SPECTRACOOL G52 Serie Diagrama De Cableado De G52 De 8K Y De 12K De 115 V Genéricos Para Control De Acceso Remoto (Las Opciones De Unidad Reales Pueden Variar)
nvent SPECTRACOOL G52 Serie
Tabla de contenido
Imprimir
Renombrar el marcador
Eliminar marcador?
Eliminar de mis manuales?
Login
Entrar
O
Iniciar sesión con Facebook
Iniciar sesión con Google
Cargar el manual
Cargar desde el disco
Cargar desde la URL