cec GO’pac Serie Manual De Instalación E Instrucciones página 114

Tabla de contenido
Idiomas disponibles
  • ES

Idiomas disponibles

  • ESPAÑOL, página 50
6. ANHANG
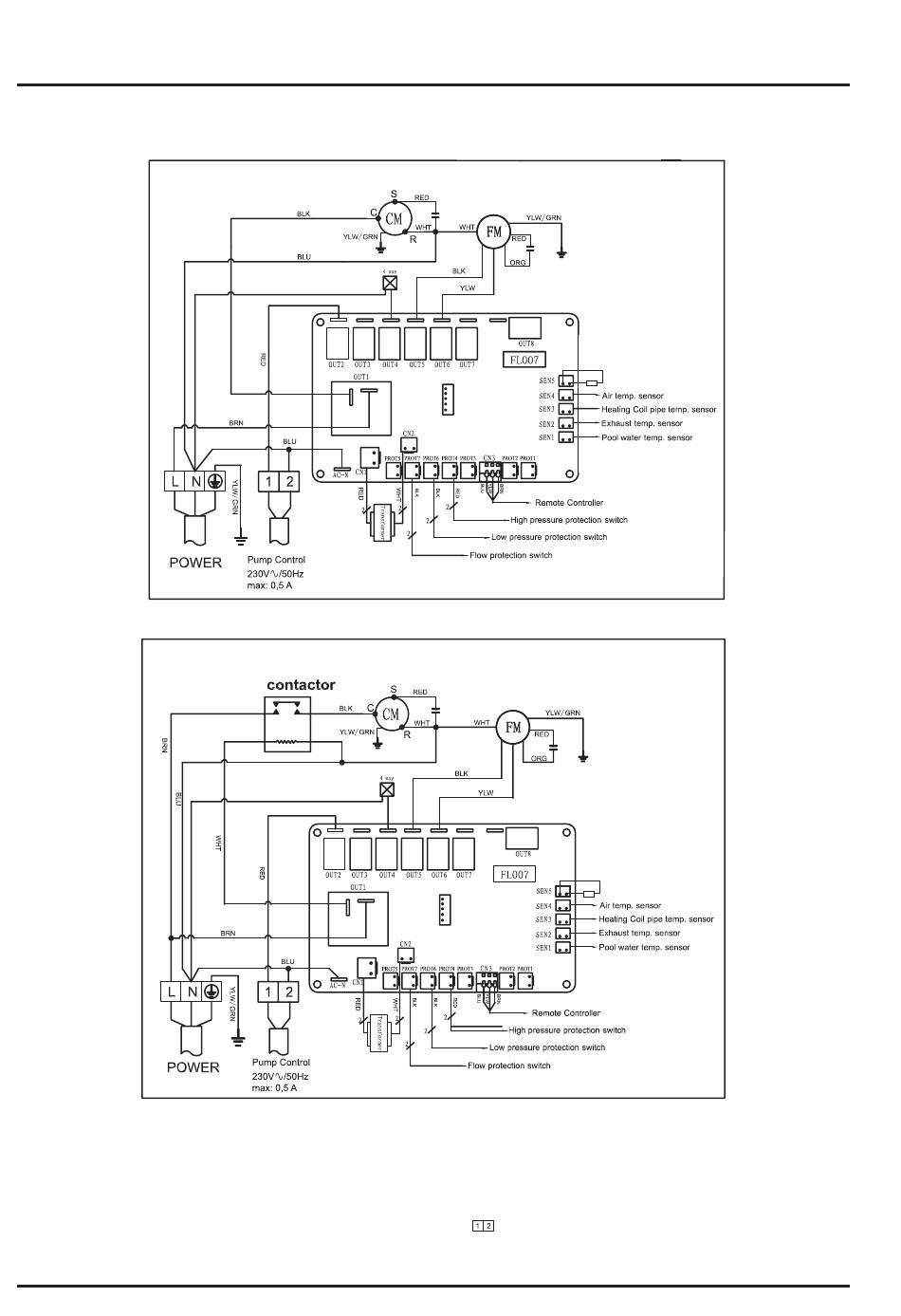
6.1 Stromtafel
GOpac30, GOpac40
GOpac50, GOpac60
ANMERKUNGEN:
1. CM : KOMPRESSOR
2. FM : GEBLÄSEMOTOR
3. SEN1 : SENSOR DER TEMPERATUR DES
WASSEREINLASSES
4. SEN2 : DRUCKGASFÜHLER
5. SEN3 : ABTAUSONDE
6. SEN4 : AUSSENTEMPERATURSENSOR
16
7. CN3 : STEUERKASTEN
8. PR0T4 : HOCHDRUCKREGLER
9. PR0T6 : NIEDRIGDRUCKREGLER
10. PR0T7 : DURCHFLUSSSENSOR
11.
: AUSGANGS 230V
MAX 0,5 A
Tabla de contenido
loading

Productos relacionados para cec GO’pac Serie

Este manual también es adecuado para:

Go’pac 30Go’pac 40Go’pac 50Go’pac 60

Tabla de contenido