Paso 2: Conexión De Los Cables De Vídeo - Sony Rdr-Hx520 Manual De Instrucciones

Tabla de contenido
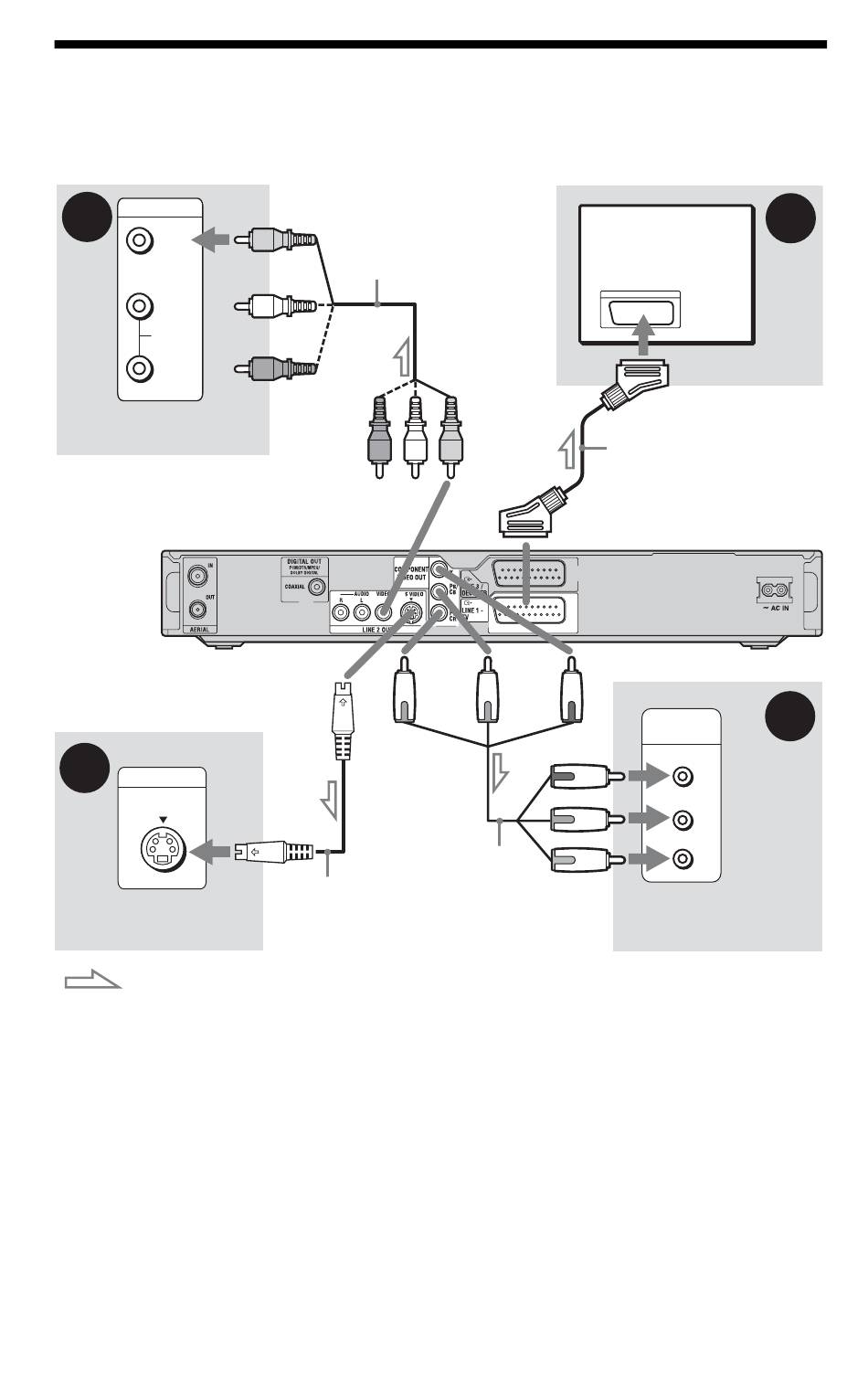
Paso 2: Conexión de los cables de vídeo
Seleccione uno de los siguientes patrones A a D según la toma de entrada del monitor de
televisión, proyector o amplificador (receptor) de AV. De este modo, podrá ver imágenes.
B
INPUT
VIDEO
L
AUDIO
R
Televisor, proyector o
amplificador (receptor) de AV
a la toma LINE 2 OUT (VIDEO)
a la toma LINE 2 OUT (S VIDEO)
C
INPUT
S VIDEO
Televisor, proyector o
amplificador (receptor)
de AV
: flujo de señales
A Toma de entrada de SCART
Cuando ajuste "Ajuste fácil - Salida línea1" a
"S Vídeo" o "RGB" (página 21), utilice un
cable SCART compatible con la señal
seleccionada.
B Toma de entrada de vídeo
Disfrutará de imágenes de calidad estándar.
C Toma de entrada de S VIDEO
Disfrutará de imágenes de alta calidad.
14
Cable de conexión
de audio/vídeo
(no suministrado)
(rojo)
a la toma
COMPONENT
VIDEO OUT
Cable de
vídeo componente
Cable S Video
(no suministrado)
(no suministrado)
D Tomas de entrada de vídeo
componente (Y, P
Disfrutará de imágenes de alta calidad y de
una reproducción de color de gran precisión.
Si su televisor admite señales con formato
progresivo (525p/625p), debe utilizar esta
conexión y ajustar "Salida Componente" de
la pantalla de configuración "Vídeo" a "Sí"
(página 92). Después ajuste "Salida
progresiva" a "Activ" en la pantalla de
configuración "Vídeo" para enviar señales de
vídeo progresivas. Para obtener más
información, consulte "Salida progresiva" en
la página 92.
Cable SCART
(no suministrado)
(amarillo)
a la toma i LINE 1 – TV
(azul)
(verde)
Televisor, proyector o
amplificador (receptor)
de AV
/C
B
A
Televisor
Grabadora de DVD
D
COMPONENT
VIDEO IN
Y
(verde)
P
/C
B
B
(azul)
P
/C
R
R
(rojo)
, P
/C
)
B
R
R
Tabla de contenido
loading

Este manual también es adecuado para:

Rdr-hx720Rdr-hx722Rdr-hx920

Tabla de contenido