Registrarse
Cargar
Descargar
Tabla de contenido
Contenido
Añadir a mis manuales
Eliminar de mis manuales
Compartir
URL de esta página:
Enlace HTML:
Marcar esta página
Añadir
El manual se agregará automáticamente a "Mis manuales"
Imprimir esta página
×
Marcador agregado
×
Añadido a mis manuales
Manuales
Marcas
Zoomlion Manuales
Plataformas Elevadoras
ZA14JE-Li
Manual de operación y seguridad
Diagrama Esquemá Tico Elé Ctrico - Zoomlion Za14Je-Li Manual De Operación Y Seguridad
Ocultar thumbs
1
2
3
4
5
6
7
8
9
10
11
12
13
14
15
16
17
18
19
20
21
22
23
24
25
26
27
28
29
30
31
32
33
34
35
36
37
38
39
40
41
42
43
44
45
46
47
48
49
50
51
52
53
54
55
56
57
58
59
60
61
62
63
64
65
66
67
68
69
70
71
72
73
74
75
76
77
78
79
80
81
82
83
84
85
86
87
88
89
90
91
92
93
94
95
96
97
98
99
100
101
102
103
104
105
106
107
108
109
110
111
112
113
114
115
116
117
118
119
120
121
122
123
124
125
126
127
128
129
130
131
132
133
134
135
136
137
138
139
140
141
142
143
144
145
146
147
148
149
150
151
152
153
154
155
156
157
158
159
160
161
162
163
164
165
166
167
168
169
170
171
172
173
174
175
176
177
178
179
180
181
182
183
184
185
186
187
188
189
190
191
192
193
194
195
196
197
198
199
200
201
202
203
204
205
206
207
página
de
207
Ir
/
207
Contenido
Tabla de contenido
Marcadores
Tabla de contenido
Manual de Servicio y Mantenimiento
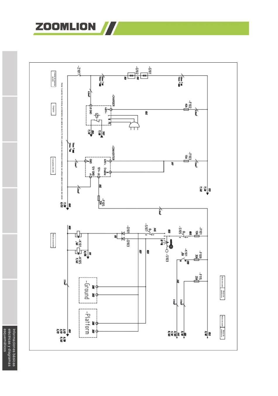
7.4 Diagrama esquemá tico elé ctrico
Figura 7 -11 Diagrama esquemá tico elé ctrico 1/8
7-8
Tabla de
Contenido
Anterior
Página
Siguiente
Página
1
...
198
199
200
201
Capítulos
Í Ndice
7
Í Ndice
104
Tabla de contenido
Manuales relacionados para Zoomlion ZA14JE-Li
Plataformas Elevadoras Zoomlion ZS1414HD Manual De Operación Y Seguridad
(137 páginas)
Plataformas Elevadoras Zoomlion ZA24J Manual De Operación Y Seguridad
(108 páginas)
Productos relacionados para Zoomlion ZA14JE-Li
Zoomlion ZA24J
Zoomlion ZS1414HA-Li
Zoomlion ZS1212HA
Zoomlion ZS1212AC
Zoomlion ZS1212HA-Li
Zoomlion ZS1212AC-Li
Zoomlion ZS1012HA
Zoomlion ZS1012AC
Zoomlion ZS0607HA
Zoomlion ZS0607HA-Li
Zoomlion ZS0607DCS
Zoomlion ZS0607ACW-Li
Zoomlion ZS0607ACW
Zoomlion ZS0607AC-Li
Zoomlion ZS0607AC
Zoomlion ZS0808AC-Li
Tabla de contenido
Imprimir
Renombrar el marcador
Eliminar marcador?
Eliminar de mis manuales?
Login
Entrar
O
Iniciar sesión con Facebook
Iniciar sesión con Google
Cargar el manual
Cargar desde el disco
Cargar desde la URL