Bender LINETRAXX RCMS460 Guía Rápida página 7

Ocultar thumbs Ver también para LINETRAXX RCMS460:
Tabla de contenido
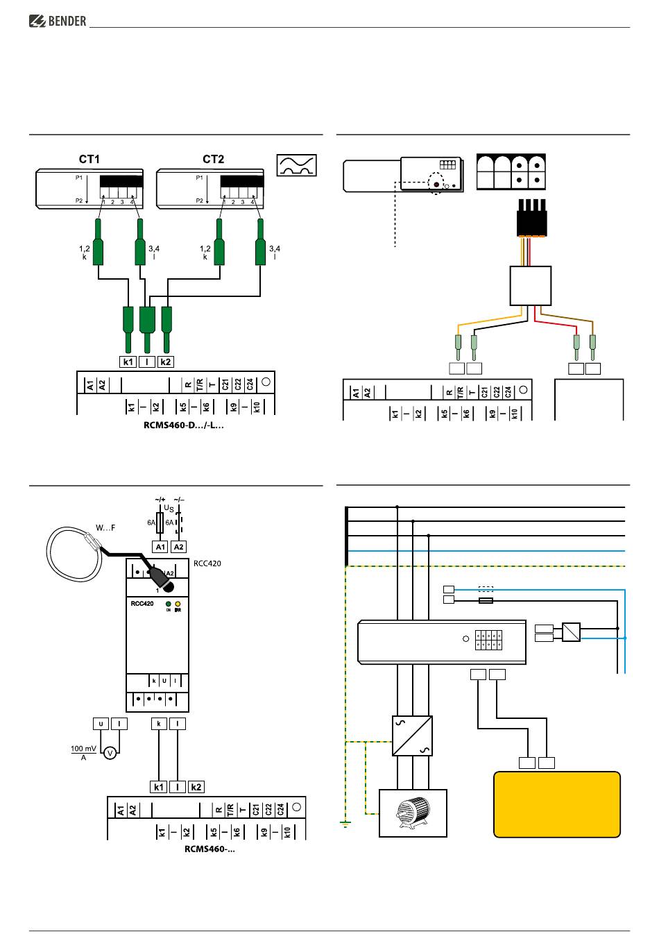
Conexión transformador toroidal serie CTAC..., WR...S(P),
WS... (sensible a corriente pulsante)
Conexión transformador toroidal serie WF...
i
Las conexiones k y l del monitor de corriente residual no deben intercambiarse.
Conexión transformador toroidal serie CTUB100
(sensible a todo tipo de corriente)
CTBCx
CTUB102
Potentiometer
RCMS4...-D/-L
k
Conexión transformador toroidal serie CTBS25
(sensible a todo tipo de corriente)
N
L
CTBS25
3
RCMS460-490_D00067_05_D_XXES/07.2023
LINETRAXX® RCMS460/RCMS490
S1(k) S2(l)
24V GND
CTXS-...
l
24V GND
STEP-PS
F 6 A
DC 24 V
AC
24 V
GND
DC
S1
S2
k
l
EDS440
RCMS460/490
L1
L2
L3
N
7
Tabla de contenido
loading

Este manual también es adecuado para:

Linetraxx rcms490

Tabla de contenido