Texas 405011x52A Manual De Instrucciones página 106

Cortacésped autoportado
Tabla de contenido
Idiomas disponibles
  • ES

Idiomas disponibles

  • ESPAÑOL, página 81
MODEL 405011x52A
3
41
1
30
33
34
31
19
38
35
36
F-050742L
2
42
39
4
5
6
7
8
9
10
11
25
31
40
13
6
12
15
16
25
28
29
24
32
25
106
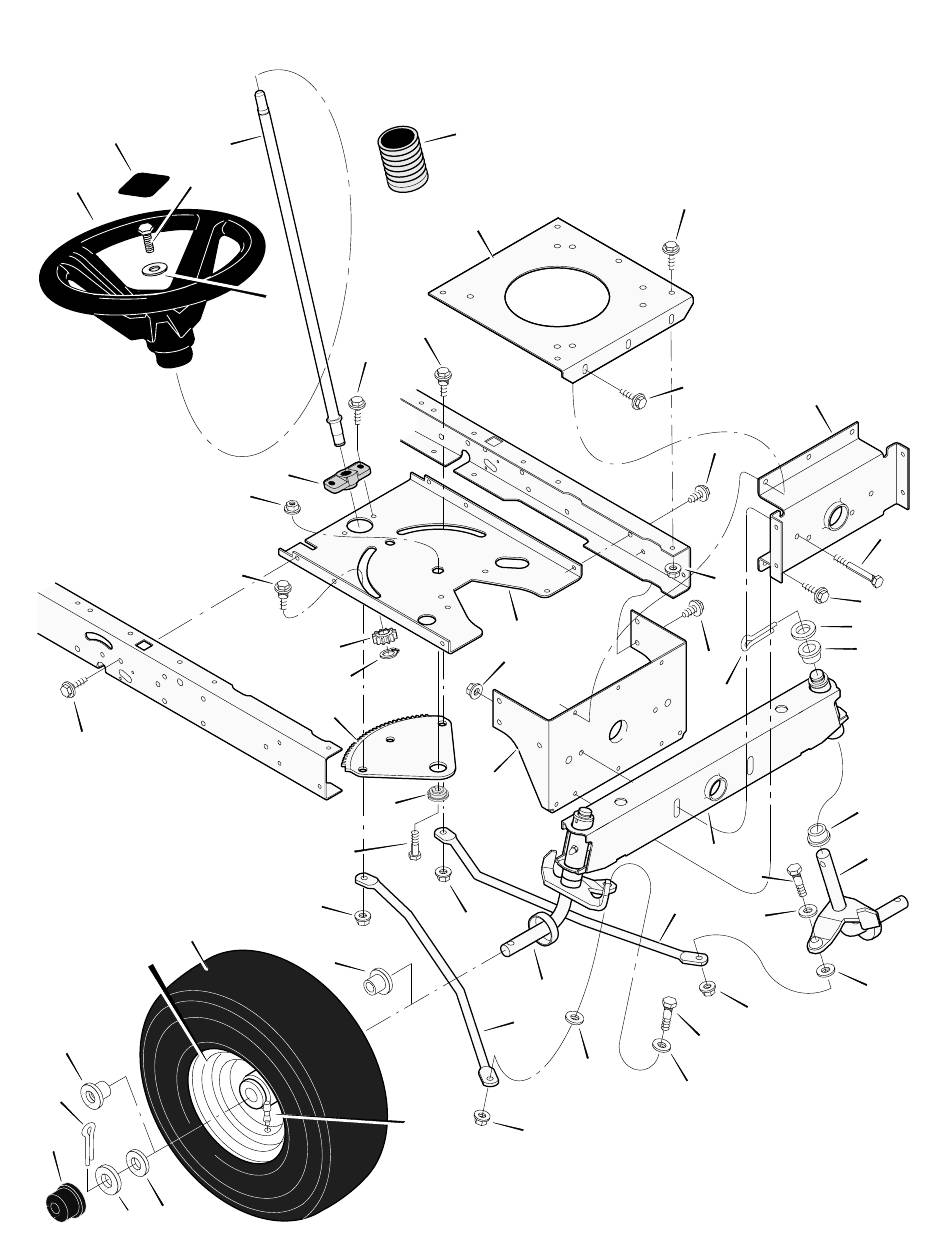
REPAIR PARTS
STEERING
30
30
17
30
14
30
19
26
22
27
23
25
22
23
18
30
37
20
20
21
24
Tabla de contenido
loading

Productos relacionados para Texas 405011x52A

Tabla de contenido