Reguladores Energía Reactiva Computer Plus T - Circutor Computer Plus T8/14 Manual De Instrucciones

Regulador de energía reactiva
Tabla de contenido
1
REGULADORES ENERGÍA REACTIVA COMPUTER PLUS T
Los reguladores de la serie Computer plus son reguladores de factor de potencia que incorporan los
últimos avances en la tecnología de compensación de energía reactiva y filtrado de armónicos, tanto en
sistemas con contactores como en sistemas rápidos. El núcleo del controlador es un procesador DSP de
última generación que permite la ejecución rápida y eficaz de algoritmos avanzados de control.
Los reguladores de los tipos Computer plus T, a los que se refiere este manual, son reguladores para
maniobra con contactores. Para el modelo rápido véase manual M98223301-01-AAx. (AAx: AA son las dos
últimas cifras del año de revisión y x es un carácter alfabético, A...Z, que indica versión).
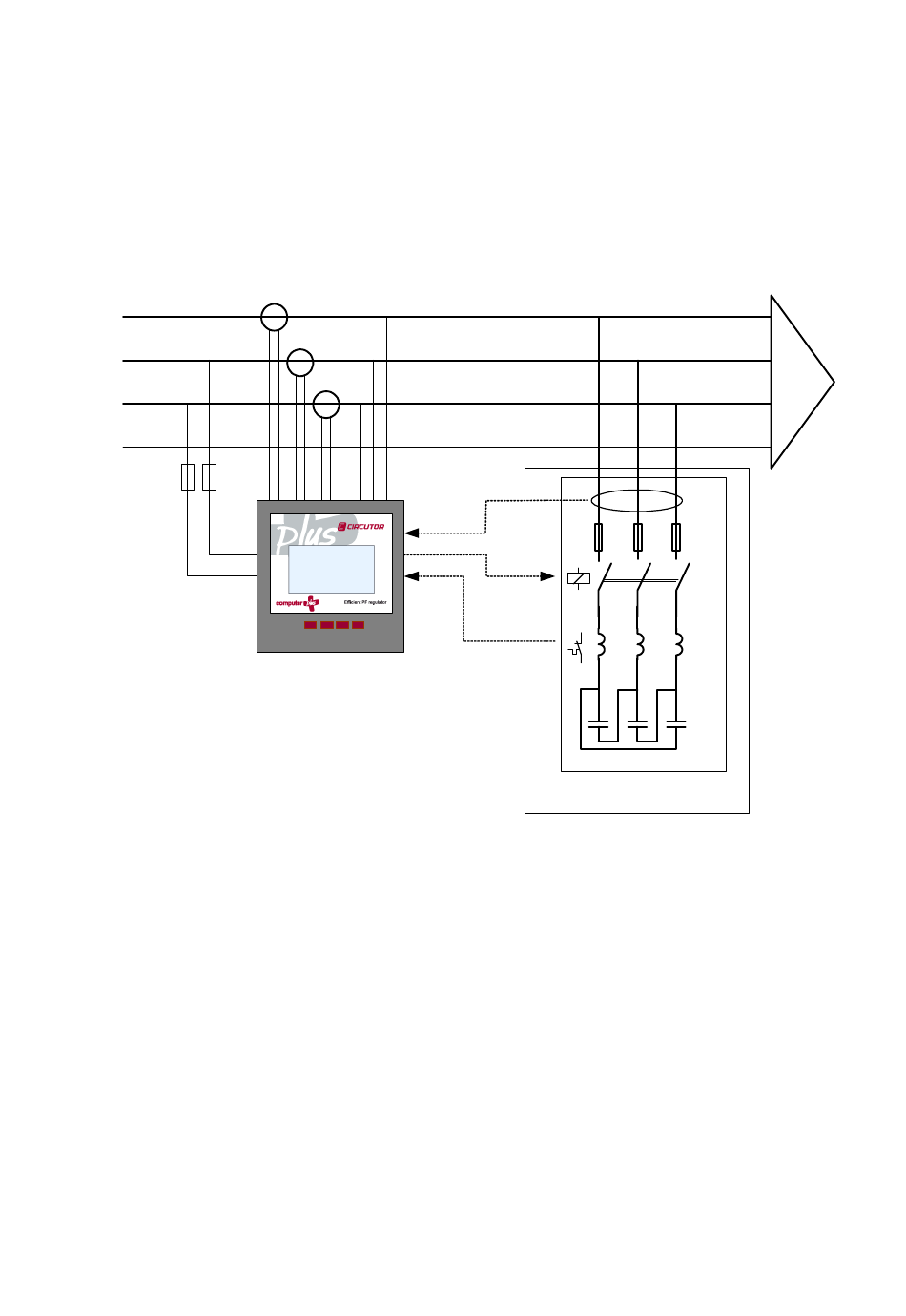
L1
L2
L3
N
MEDIDA TRIFÁSICA
T.C.'s
MEDIDA FUGA
F1
F2
F3
F4
ALARMA
TEMPERATURA
Fig. 1 .- Esquema de principio de la conexión
Batería
Condensadores
7
CARGA
L
C
Tabla de contenido
loading

Tabla de contenido