Dtc B1061 / B1065: Resistencia Alta Del Circuito Del Airbag Lateral - Suzuki Hatchback Sx4 Manual Del Usuario

Tabla de contenido

DTC B1061 / B1065: Resistencia alta del circuito del airbag lateral

DTC B1061: Resistencia alta del circuito del airbag lateral del conductor
DTC B1065: Resistencia alta del circuito del airbag lateral del pasajero
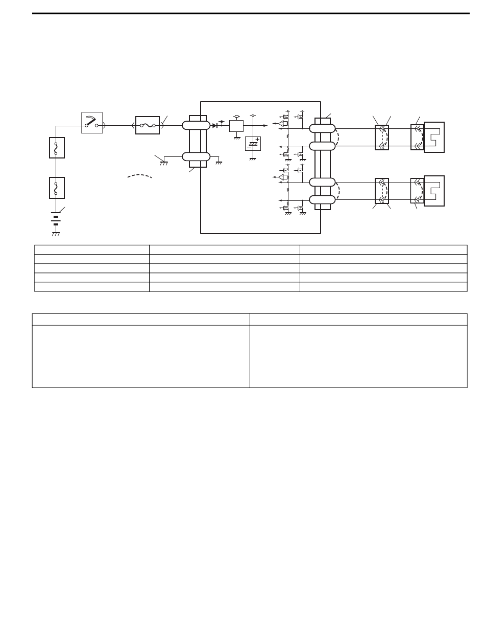
Diagrama de cableado
WHT
GRN
6
4 5
BLK
[A]
3
2
1
[A]: Barra de cortocircuitos
1. Batería
2. Fusible
3. Caja de fusibles principales
4. Fusible "IGN"
Condición de detección del DTC y área afectada
Condición de detección del DTC
DTC B1061:
El circuito del airbag lateral del conductor tiene más de
3,7 Ω durante más 4 segundos.
DTC B1065:
El circuito del airbag lateral del pasajero tiene más de 3,7
Ω durante más 4 segundos.
"L313"
5V
8
12V
7
RED
L04-27
13
BLK
9
L04-28
"L04"
5. Caja de fusibles del circuito individual n° 1
6. Interruptor de encendido
7. Fusible "A/B"
8. Conjunto del bloque de empalmes
9. Masa para el sistema de airbag
10
"L04"
30V
L04-12
14
L04-11
L04-13
L04-14
10. SDM
11. Módulo (inflador) del airbag lateral del conductor
12. Módulo (inflador) del airbag lateral del pasajero
13. Convertidor DC / DC
14. Capacitor de apoyo
Área afectada
• Circuito del airbag lateral del conductor / pasajero
• Módulo del airbag lateral del conductor / pasajero
• SDM
Sistema de airbag:
E7RW0A8204030
"L385"
"Q134"
"Q105"
BLU
GRY/RED
BLK
GRY
BLU
BRN/WHT
BLK
BRN
"L384"
"Q133"
"Q104"
I6RW0C820011-01
8B-60
11
12
Tabla de contenido
loading

Este manual también es adecuado para:

2007

Tabla de contenido