Registrarse
Cargar
Descargar
Tabla de contenido
Contenido
Añadir a mis manuales
Eliminar de mis manuales
Compartir
URL de esta página:
Enlace HTML:
Marcar esta página
Añadir
El manual se agregará automáticamente a "Mis manuales"
Imprimir esta página
×
Marcador agregado
×
Añadido a mis manuales
Manuales
Marcas
WEG Manuales
Convertidores de Frecuencia
CFW500 Serie
Manual de programación
WEG CFW500 Serie Manual De Programación página 86
Ocultar thumbs
Ver también para CFW500 Serie
:
Manual del usuario
,
Guía de aplicación
(41 páginas)
,
Manual del usuario de ethernet
(38 páginas)
1
2
3
4
Contenido
5
6
7
8
9
10
11
12
13
14
15
16
17
18
19
20
21
22
23
24
25
26
27
28
29
30
31
32
33
34
35
36
37
38
39
40
41
42
43
44
45
46
47
48
49
50
51
52
53
54
55
56
57
58
59
60
61
62
63
64
65
66
67
68
69
70
71
72
73
74
75
76
77
78
79
80
81
82
83
84
85
86
87
88
89
90
91
92
93
94
95
96
97
98
99
100
101
102
103
104
105
106
107
108
109
110
111
112
113
114
115
116
117
118
119
120
121
122
123
124
125
126
127
128
129
130
131
132
133
134
135
136
137
138
139
140
141
142
143
144
145
146
147
148
149
150
151
152
153
154
155
156
157
158
159
160
161
162
163
164
165
166
167
168
169
170
171
172
173
174
175
176
página
de
176
Ir
/
176
Contenido
Tabla de contenido
Marcadores
Tabla de contenido
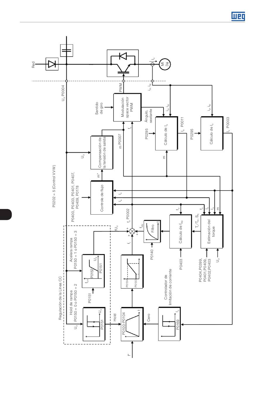
Control Vectorial V V W
10
Figura 10.1: Esquema de control VVW
10-2 | CFW500
Tabla de
Contenido
Anterior
Página
Siguiente
Página
1
...
83
84
85
86
87
88
89
90
Mostrar enlaces rápidos
Enlaces rápidos:
Referencia Rápida de Los Parámetros, Alarmas...
Fallas y Alarmas
Hide quick links:
Para siempre
Temporalmente
Сancelar
Tabla de contenido
Manuales relacionados para WEG CFW500 Serie
Variadores de Velocidad WEG CFW500 Serie Manual Del Usuario
(80 páginas)
Convertidores de Frecuencia WEG CFW500 Serie Manual Del Usuario De Ethernet
(38 páginas)
Conversores de Medios WEG CFW500 Guía De Instalación, Configuración Y Operación
Módulo plug-in con entrada de encoder enc (32 páginas)
Equipo Industrial WEG CFW500 Guía De Instalación, Configuración Y Operación
(32 páginas)
Variadores de Velocidad WEG CFW500 Manual Del Usuario
Profibus dp (32 páginas)
Variadores de Velocidad WEG CFW500 Guía De Instalación, Configuración Y Operación
(26 páginas)
Modules WEG CFW500 Guía De Instalación, Configuración Y Operación
(24 páginas)
Modules WEG CFW500 Guía De Instalación, Configuración Y Operación
Módulo plug-in comunicación rs485 (24 páginas)
Accesorios WEG CFW500 Guía De Instalación, Configuración Y Operación
(24 páginas)
Inversores WEG CFW500 Guia De Instalacion
(20 páginas)
Modules WEG CFW500 Guía De Instalación, Configuración Y Operación
Módulo plug-in de expansión de i/o de analógicas y digitales (20 páginas)
Dispositivos de Almacenamiento WEG CFW500 Guia De Instalacion
(20 páginas)
Variadores de Velocidad WEG KPCSD Guía De Instalación, Configuración Y Operación
(2 páginas)
Convertidores de Frecuencia WEG KPCSF Guía De Instalación, Configuración Y Operación
(2 páginas)
Variadores de Velocidad WEG CFW500-IOS -PNP Guía De Instalación, Configuración Y Operación
(2 páginas)
Manual del WEG CFW500
(artículo)
Productos relacionados para WEG CFW500 Serie
WEG CANopen SSW900-CAN-W
WEG CFW500-SFY2
WEG BACnet CFW501
WEG CFW500A
WEG CFW500B
WEG CFW500C
WEG CFW500D
WEG CFW500E
WEG CFW501 Serie
WEG CFW500 V2.0X Serie
WEG CFW501 V1.8X
WEG CFW50X
WEG CFW500 ENC
WEG CFW500 ENC2
WEG CFW500 V3.1X
WEG CFW500-IOR-B
Este manual también es adecuado para:
V1.5x
Cfw500-ios
Cfw500-iod
Cfw500-ioad
Cfw500-ior
Cfw500-cusb
...
Mostrar todo
Cfw500-ccan
Cfw500-crs232
Cfw500-cpdp
Cfw500-crs485
Tabla de contenido
Imprimir
Renombrar el marcador
Eliminar marcador?
Eliminar de mis manuales?
Login
Entrar
O
Iniciar sesión con Facebook
Iniciar sesión con Google
Cargar el manual
Cargar desde el disco
Cargar desde la URL