Registrarse
Cargar
Descargar
Tabla de contenido
Contenido
Añadir a mis manuales
Eliminar de mis manuales
Compartir
URL de esta página:
Enlace HTML:
Marcar esta página
Añadir
El manual se agregará automáticamente a "Mis manuales"
Imprimir esta página
×
Marcador agregado
×
Añadido a mis manuales
Manuales
Marcas
Dea Manuales
Unidades de Control
NET230N
Instrucciones de uso y advertencias
Dea NET230N Instrucciones De Uso Y Advertencias página 39
Cuadro de maniobra programable
Ocultar thumbs
Ver también para NET230N
:
Instrucciones de uso
(172 páginas)
,
Instrucciones de uso y advertencias
(180 páginas)
,
Instrucciones de uso y advertencias
(272 páginas)
1
2
3
4
5
6
7
8
9
10
11
12
13
14
15
16
17
18
19
20
21
22
23
24
25
26
27
28
29
30
31
32
33
34
35
36
37
38
39
40
41
42
43
44
45
46
47
48
49
50
51
52
53
54
55
56
57
58
59
60
61
62
63
64
65
66
67
68
69
70
71
72
73
74
75
76
77
78
79
80
81
82
83
84
85
86
87
88
89
90
91
92
93
94
95
96
97
98
99
100
página
de
100
Ir
/
100
Contenido
Tabla de contenido
Marcadores
Tabla de contenido
Idiomas disponibles
ES
EN
FR
IT
PT
PL
Más
Idiomas disponibles
ESPAÑOL, página 51
ENGLISH, page 19
FRANÇAIS, page 35
ITALIANO, pagina 3
PORTUGUÊS, página 67
POLSKI, strona 83
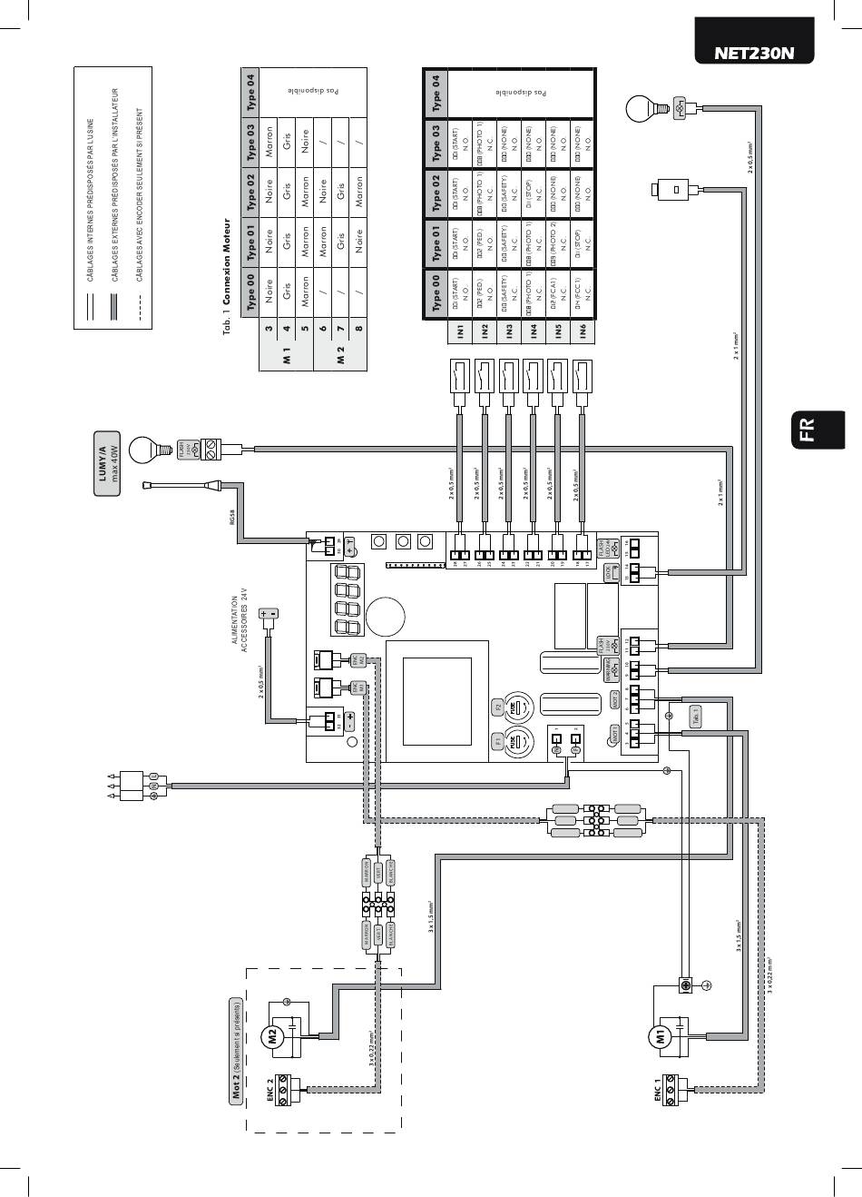
LAMPE DE COURTOISIE ou
LAMPE TÉMOIN PORTAIL
OUVERT
230V max 40W
ÉLECTRO-FREIN ou
ELÉCTRO-SERRURE
art.110
INTERRUPTEUR OMNIPOLAIRE
ALIMENTATION
230V~ 50Hz ±10%
3 x 1,5 mm
2
BLANCHE
BLANCHE
VERT
VERT
MARRON
MARRON
37
Tabla de
Contenido
Anterior
Página
Siguiente
Página
1
...
36
37
38
39
40
41
42
43
Mostrar enlaces rápidos
Enlaces rápidos:
Español
Datos Técnicos
Conexiones Eléctricas
Programación Avanzada
Hide quick links:
Para siempre
Temporalmente
Сancelar
Capítulos
Italiano
3
English
19
Español
51
Português
67
Tabla de contenido
Manuales relacionados para Dea NET230N
Controladores Dea NET230N Instrucciones De Uso Y Advertencias
(272 páginas)
Abridores de Puertas de Garage Dea LIVI Serie Instrucciones De Uso Y Advertencias
(180 páginas)
Paneles de Control Dea NET230N Instrucciones De Uso
(172 páginas)
Unidades de Control Dea NET24N Instrucciones De Uso Y Advertencias
Cuadro de maniobra programable (112 páginas)
Unidades de Control Dea NET24 Instrucciones De Uso Y Advertencias
Cuadro de maniobra programable (256 páginas)
Unidades de Control Dea NET EXP Instrucciones De Uso Y Advertencias
(100 páginas)
Unidades de Control Dea 124RR Instrucciones De Uso Y Advertencias
Cuadro de m aniobra program able (21 páginas)
Unidades de Control Dea 202RR Instrucciones De Uso Y Advertencias
(76 páginas)
Unidades de Control Dea 203RR Instrucciones De Uso
(12 páginas)
Unidades de Control Dea 212E Instrucciones De Uso
(56 páginas)
Unidades de Control Dea ROCK/EL Guía Rápida
(6 páginas)
Unidades de Control Dea 211E Instrucciones De Uso Y Advertencias
Cuadro de maniobra programable (32 páginas)
Productos relacionados para Dea NET230N
Dea NET24N
Dea NET EXP
Dea NET24
Dea NET230
Dea NET724N
Dea NET724 EVO
Dea 124RR
Dea 202RR
Dea 203RR
Dea 211E
Dea 211ER
Dea 212E
Tabla de contenido
Imprimir
Renombrar el marcador
Eliminar marcador?
Eliminar de mis manuales?
Login
Entrar
O
Iniciar sesión con Facebook
Iniciar sesión con Google
Cargar el manual
Cargar desde el disco
Cargar desde la URL